Description
Features of the EM1-36-143T Three Phase T-frame Motor
Inventory Stocked in Dallas, TX(2), Cleveland,OH(3), Atlanta,GA(8), Fresno,CA(2), Houston,TX(5), Itasca,IL(1), Louisville,KY(33), Oklahoma City,OK(14), Pheonix, AZ(1).

- 36 Month Warranty
- Meets or exceeds NEMA Premium® Efficiency Requirements defined by NEMA MG-1, Table 12-12
- Class I, Div II Groups ABCD, T2B
- Suitable for wye-delta start on 213T frame and above
- Dual voltage ratings suitable for part wind start on lower voltage
- Single voltage ratings suitable for part wind start at 460V are noted
- 1.15 Service Factor @ 60 hertz; 1.0 Service Factor @ 50 hertz
- Suitable for 575V @ 1.0 Service Factor
- Inverter Duty (20:1 variable torque; 10:1 constant torque)
- Vacuum Pressure Impregnation for all windings
- Sealed bearings thru 215T frame
- Greasable bearings 254T frame and above
- Mechanical “V” Seal on drive end
- Class F insulation system, class B rise at full load
- 40° C ambient continuous duty
- Corrosion resistant paint
- Stainless steel nameplate and zinc plated hardware
- F1/F2 reversible
- Feet are dual drilled on most frames for mounting flexibility
- Cast iron frame construction including the conduit box
- C-Flange and D-Flange field conversion kits available
- Lifting provisions on 143T frame and above
- Condensation drains with plastic plugs
- IP55 Protection – Terminal box is sealed for IP66 protection
- CSA + C + US Certification
- ISO 9001 Certification
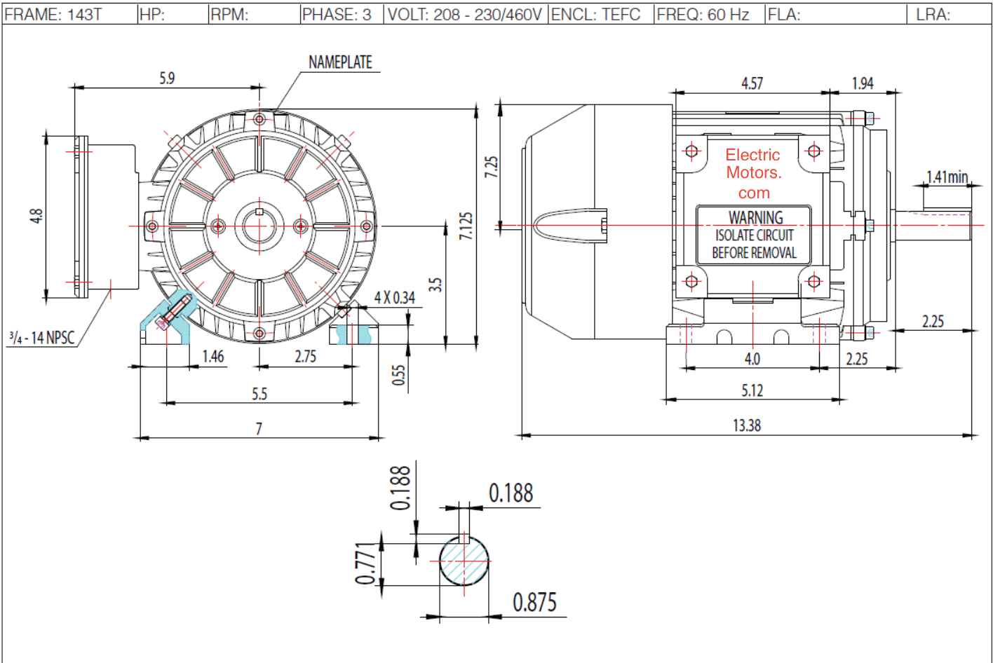
Check out the 143T row on this NEMA Chart for your basic mounting dimensions
Product Details:
| Weight | 55 lbs |
|---|---|
| HP |
1 |
| RPM |
1800 |
| Mult. Sym. |
M16 |
| Frame |
143T |
| Volts |
208-230/460 |
| Enclosure |
TEFC |
| F.L. Eff. |
85.5 |
| Notes |
1,2,5 |
| "C" Dim. |
12.6 |
| F.L. Amps |
1.75 |
The EM1-36-143T three phase T-frame motor is a direct replacement for:
- Baldor M3546T
- Leeson G151696
- TECO N0014
- US Electric ELT1E2D
- Marathon E826
- WEG 00118EP3E143T
Need More Details?
Email info@electricmotors.com , reach out on LiveChat if a rep is available, or call
(800) 760-2065
Contact our team for expert advice and information on selecting the ideal motor for your specific application.
